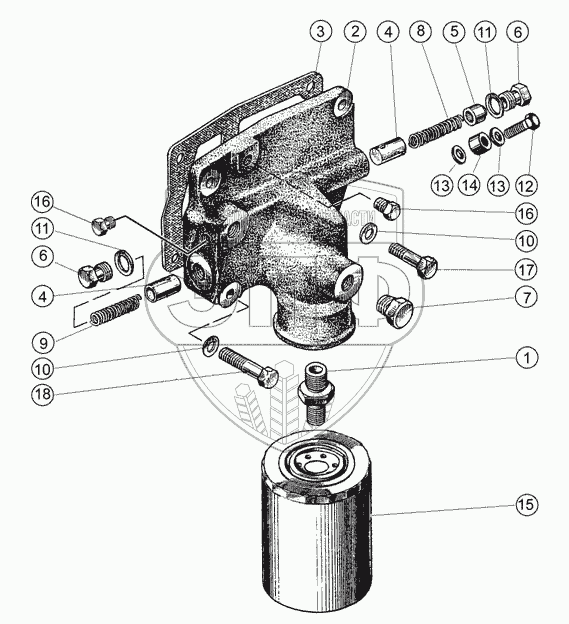
Каталог запасных частей к технике: ММЗ Д-245.30Е2-471. Установка масляного фильтра

245-1017010-А
1
2
2
3
4
4
5
6
6
7
7
8
9
10
10
11
11
12
13
13
14
15
16
16
17
18
Позиция на иллюстрации | Заводской номер детали | Название детали | Цена | |
---|---|---|---|---|
245-1017010-А | 245-1017010-А | Фильтр масляный | Нет на складе | |
1 | 245-1017012 | Штуцер | 533.52 руб. | |
2 | 245-1017015 | Корпус фильтра | 5 023.20 руб. - 6 221.63 руб. | |
2 | 245-1017022 | Корпус фильтра | Нет на складе | |
3 | 50-1404068 | Прокладка | Нет на складе | |
4 | 50-1404071-А | Клапан | Нет на складе | |
5 | 50-1404072 | Пробка | Нет на складе | |
6 | 50-1404075 | Пробка | 178.64 руб. | |
7 | 50-1404077-А | Пробка | Нет на складе | |
7 | 240-1404096 | Пробка | Нет на складе | |
8 | 50-1404083-А1 | Пружина | Нет на складе | |
9 | 50-1404085-А1 | Пружина | Нет на складе | |
10 | 36-1104788 | Кольцо | Нет на складе | |
11 | Д09-035-А | Прокладка | Нет на складе | |
12 | Д18-051-А | Болт | 98 руб. | |
13 | Д18-055-А | Кольцо уплотнительное | Нет на складе | |
13 | А23.10.002 | Кольцо | Нет на складе | |
14 | Д16-111-А | Втулка защитная | Нет на складе | |
15 | ФМ009-1012005 | Фильтр очистки масла | Нет на складе | |
16 | КГ 1/4"А12.016 | Пробка | Нет на складе | |
17 | М10-6gх30.88.35.016 | Болт | Нет на складе | |
18 | М10-6gх50.88.35.016 | Болт | Нет на складе |
Содержащиеся в справочниках-каталогах запасные части и детали не предлагаются к продаже, а носят исключительно информационный характер