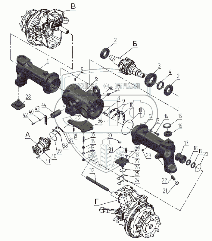
Каталог запасных частей к технике: МТЗ-826. Передний ведущий мост 822-2300020

822-2300020-04
822-2300020-02
1
1
2
2
3
4
5
6
7
8
8
9
10
11
12
12
13
13
13
14
15
16
17
18
19
20
21
22
23
24
25
26
27
28
29
30
31
32
32
33
34
35
36
36
37
38
39
40
40
41
42
43
44
Позиция на иллюстрации | Заводской номер детали | Название детали | Цена | |
---|---|---|---|---|
822-2300020-04 | 822-2300020-04 | Передний ведущий мост в сборе | Нет на складе | |
822-2300020-02 | 822-2300020-02 | Передний ведущий мост в сборе | Нет на складе | |
822-2308005-01 | 822-2308005-01 | Редуктор правый | Нет на складе | |
822-2308005 | 822-2308005 | Редуктор левый | Нет на складе | |
52-2302010 | 52-2302010 | Шестерня ведущая в сборе | 20 732.04 руб. | |
52-2303010-Б-01 | 52-2303010-Б-01 | Дифференциал | Нет на складе | |
1 | 822-2301051-01 | Рукав | 31 407.05 руб. | |
1 | 822-2301051 | Рукав | 29 203.20 руб. | |
2 | 263212А | Подшипник | Нет на складе | |
3 | 52-2302019 | Шестерня ведомая | Нет на складе | |
4 | 52-2302038-А1 | Гайка | 519.48 руб. | |
5 | MINTORTSS0G-1/8" | Сапун | Нет на складе | |
6 | 72-2301055 | Корпус | 34 137.65 руб. | |
7 | "ПК КГ 3/4""" | Пробка | Нет на складе | |
8 | Д01-015 | Штифт установочный | 39.30 руб. | |
9 | 52-2303027 | Прокладка регулировочная В = 0,5 мм (подбираются при регулировке подшипников) | 174.37 руб. | |
10 | 52-2303028 | Прокладка регулировочная В = 0,2 мм (подбираются при регулировке подшипников) | 53.47 руб. | |
11 | 150-155-36-1-4 | Кольцо | Нет на складе | |
12 | 822-2301053-01 | Рукав | 31 642.33 руб. | |
12 | 822-2301053 | Рукав | 22 336.24 руб. | |
13 | 16 ОТ | Шайба | Нет на складе | |
14 | M16-6gx45.88.35.019 | Болт | Нет на складе | |
15 | 1520-2308039 | Стакан | 212.80 руб. | |
16 | 1027307А (31307) | Подшипник | Нет на складе | |
17 | 822-2308100 | Обойма | Нет на складе | |
18 | 1.2-38x58-1 | Манжета | Нет на складе | |
19 | 2.2-38x58-1 | Манжета | Нет на складе | |
20 | 075-080-30-1-4 | Кольцо | Нет на складе | |
21 | 85-3407113 | Гайка | Нет на складе | |
22 | 1520-2308009 | Винт | Нет на складе | |
23 | "ПК КГ 3/8""" | Пробка | Нет на складе | |
24 | 52-2302021 | Прокладка регулировочная В = 0,5 мм | 73.36 руб. | |
25 | 52-2302022 | Прокладка регулировочная В = 0,2 мм | 28.12 руб. | |
26 | 055-063-46-1-4 | Кольцо | Нет на складе | |
27 | 1520-2308037 | Ось | 4 674.60 руб. | |
28 | 1520-2308037-01 | Ось | 3 708.60 руб. | |
29 | M16-6gx40.88.35.019 | Болт | 85.08 руб. | |
30 | 85-4607447 | Колпачок | Нет на складе | |
31 | 1.3.Ц9.хр | Масленка | Нет на складе | |
32 | 822-2308065-01 | Вал | 5 948.57 руб. | |
32 | 822-2308065 | Вал | 3 276 руб. | |
33 | М16-6Н.6.019 | Гайка | Нет на складе | |
34 | 1520-2308077 | Втулка | 288.40 руб. | |
35 | 1520-2308079 | Шпилька | 221.20 руб. | |
36 | 922-2301023-Б-01 | Кронштейн цилиндра | 4 777.07 руб. | |
36 | 822-2301023-Б-01 | Кронштейн | Нет на складе | |
37 | 1520-2308042 | Прокладка регулировочная | 25.79 руб. | |
38 | 1520-2308042-01 | Прокладка регулировочная | 94.07 руб. | |
39 | 089-095-36-1-4 | Кольцо | 43.40 руб. | |
40 | 12 ОТ | Шайба | Нет на складе | |
41 | M12-6gx30.88.35.019 | Болт | Нет на складе | |
42 | M12-6gx25.88.35.019 | Болт | Нет на складе | |
43 | 72-2301059-А1 | Планка | 227.23 руб. | |
44 | 52-2301058-А4 | Ось | 1 593.54 руб. |
Содержащиеся в справочниках-каталогах запасные части и детали не предлагаются к продаже, а носят исключительно информационный характер