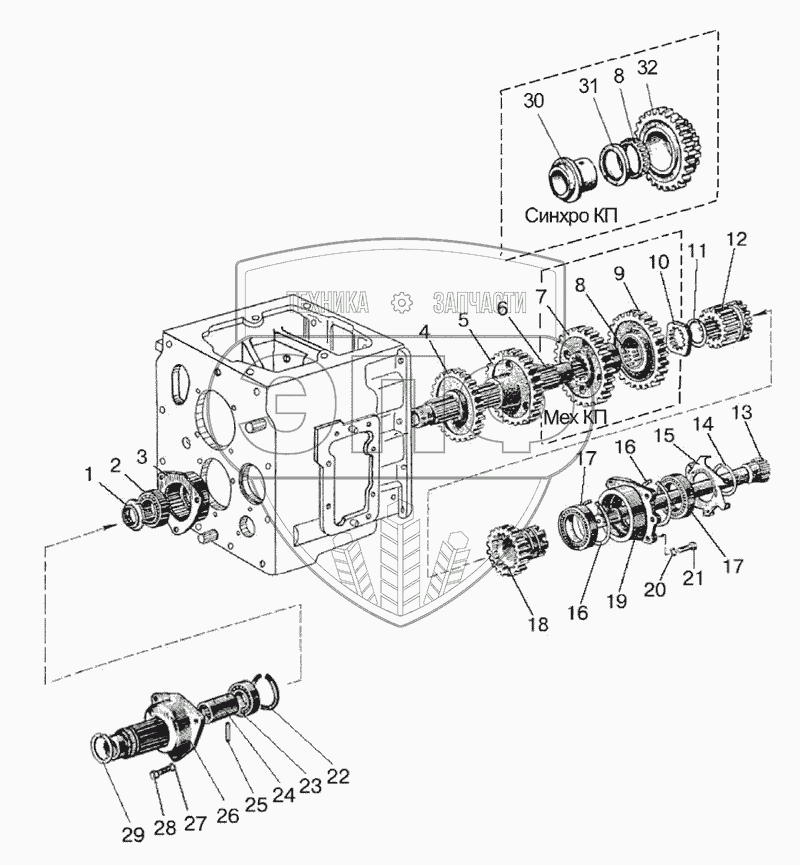
Каталог запасных частей к технике: МТЗ-826. Вал промежуточный. Вал внутренний

1
2
3
4
5
6
6
7
8
8
9
10
11
12
13
14
15
16
16
17
17
18
18
19
20
21
22
23
24
25
26
27
28
29
30
31
32
Позиция на иллюстрации | Заводской номер детали | Название детали | Цена | |
---|---|---|---|---|
74-1701070 | 74-1701070 | Шестерня | Нет на складе | |
Ф50-17010655 | Ф50-17010655 | Шестерня | Нет на складе | |
1 | 50-1701181 | Гайка вала | 709.80 руб. | |
2 | 60210АУШ1 | Подшипник | Нет на складе | |
3 | 50-1701184 | Гнездо подшипника | 1 224.29 руб. | |
4 | 50-1701218 | Шестерня V передачи и з. х. | 4 606.36 руб. | |
5 | 50-1701216 | Шестерня IV передачи | 3 616.26 руб. | |
6 | 70-1701182-Б-01 | Вал промежуточный | Нет на складе | |
6 | 70-1701182-Б | Вал промежуточный | Нет на складе | |
7 | 50-1701214 | Шестерня III передачи | 4 958.80 руб. | |
8 | 3КК72х82х45Е | Подшипник | Нет на складе | |
9 | Ф50-1701056-Б | Шестерня промежуточная | Нет на складе | |
10 | 50-1701183 | Шайба упорная | 375.33 руб. | |
11 | 50-1701187 | Упор | Нет на складе | |
12 | 70-1701196 | Шестерня 1-й ступени редуктора | Нет на складе | |
13 | 50-1701185 | Вал внутренний | 4 995.13 руб. | |
14 | 2С75 | Кольцо | 142.62 руб. | |
15 | 50-1701401 | Крыльчатка | 269.57 руб. | |
16 | 2С115 | Кольцо | Нет на складе | |
17 | 6-12115ЕМУШ1 | Подшипник | Нет на складе | |
18 | 50-1701198-А | Шестерня II ступени редуктора | Нет на складе | |
18 | 50-1701190-А | Шестерня II ступени редуктора в сборе | Нет на складе | |
19 | 50-1701195 | Стакан | 1 356.80 руб. | |
20 | 12 ОТ | Шайба | Нет на складе | |
21 | M12-6gx35.88.35.019 | Болт | Нет на складе | |
22 | 2С80 | Кольцо | 73.69 руб. | |
23 | 307А | Подшипник | 893.57 руб. | |
24 | 50-1701188 | Втулка | 1 038.96 руб. | |
25 | А.8х45.65Г | Штифт | Нет на складе | |
26 | 70-1701186 | Гнездо | 6 230.95 руб. | |
27 | 10 ОТ | Шайба | Нет на складе | |
28 | M10-6gx35.88.35.019 | Болт | Нет на складе | |
29 | 2С60 | Кольцо | 130.51 руб. | |
30 | 74-1701055-Б | Втулка | Нет на складе | |
31 | 74-1701057-Б | Втулка | Нет на складе | |
32 | 74-1701056-Б | Шестерня | Нет на складе |
Содержащиеся в справочниках-каталогах запасные части и детали не предлагаются к продаже, а носят исключительно информационный характер