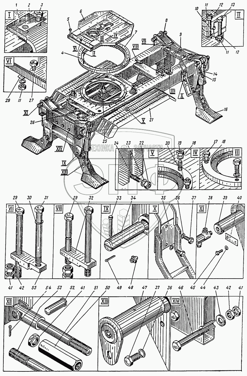
Каталог запасных частей к технике: Атек ЭОВ-4421. Рама 35.0100.000

1
2
3
4
5
6
7
8
9
10
11
11
11
12
12
13
14
15
16
17
18
18
19
20
21
22
23
24
25
26
27
28
29
29
30
31
32
33
34
35
36
36
37
37
38
39
40
41
41
41
42
42
43
44
45
46
47
48
49
50
51
52
53
54
55
Позиция на иллюстрации | Заводской номер детали | Название детали | Цена | |
---|---|---|---|---|
1 | 35.0100.002 | Угольник | Нет на складе | |
2 | 09.0700.014 | Планка закрепительная | Нет на складе | |
3 | М16х45.56.019 ГОСТ 7798-70 | Болт | Нет на складе | |
4 | 09.0700.002 | Шестерня | Нет на складе | |
5 | 09.0700.005 | Болт | Нет на складе | |
6 | 09.0700.010 | Плита опорная | Нет на складе | |
7 | 1400-1 (У1230.04.000-05) ОСТ 22-1401-79 | Опора | Нет на складе | |
8 | 35.0101.000 | Рама | Нет на складе | |
9 | 35.0108.000 | Гидроразводка | Нет на складе | |
10 | 09.0700.006 | Болт | Нет на складе | |
11 | М20х1,5.12.40Х.019 ГОСТ 5915-70 | Гайка | Нет на складе | |
12 | М20х1,5.12.40Х.019 ГОСТ 5916-70 | Гайка | Нет на складе | |
13 | 09.0700.016 | Болт | Нет на складе | |
14 | 35.0105.000 | Цилиндр | Нет на складе | |
15 | 35.0110.000 | Цепь | Нет на складе | |
16 | 35.0102.000 | Башмак опорный | Нет на складе | |
17 | М20х1,5х65.10,9.40Х.019 ГОСТ 7808-70 | Болт | Нет на складе | |
18 | 20.65Г.019 ГОСТ 6402-70 | Шайба | Нет на складе | |
19 | М20х1,5.8.45.019 ГОСТ 2524-70 | Гайка | Нет на складе | |
20 | М20х1,5х110.10,9.40Х.019 ГОСТ 7817-80 | Болт | Нет на складе | |
21 | 35.0109.000 | Брызговик | Нет на складе | |
22 | М16.8.45.019 ГОСТ 5916-70 | Гайка | Нет на складе | |
23 | 16.01.019 ГОСТ 11371-78 | Шайба | Нет на складе | |
24 | М16-6gх35.46 ГОСТ 22038-76 | Шпилька | Нет на складе | |
25 | 35.0107.000 | Коллектор | Нет на складе | |
26 | 35.0106.000 | Клапан | Нет на складе | |
27 | М20х1,5х100.10,9.40Х.019 ГОСТ 7798-70 | Болт | Нет на складе | |
28 | 20.02.019 ГОСТ 10906-78 | Шайба | Нет на складе | |
29 | 35.0100.007 | Болт | Нет на складе | |
30 | 36.65Г.019 ГОСТ 6402-70 | Шайба | Нет на складе | |
31 | 35.0100.009 | Болт | Нет на складе | |
32 | 35.0100.006 | Плита | Нет на складе | |
33 | 10.0100.008 | Палец | Нет на складе | |
34 | 35.0100.003 | Палец | Нет на складе | |
35 | 35.0103.000 | Подножка | Нет на складе | |
36 | 16.65Г.019 ГОСТ 6402-70 | Шайба | Нет на складе | |
37 | М16х30.56.019 ГОСТ 7798-70 | Болт | Нет на складе | |
38 | 35.0104.000 | Соединение поворотное | Нет на складе | |
39 | 35.0100.001 | Палец | Нет на складе | |
40 | ОСТ 22-124-71 | Оседержатель | Нет на складе | |
41 | М36х3.12.40Х.019 ГОСТ 5916-70 | Гайка | Нет на складе | |
42 | М36х3.12.40Х.019 ГОСТ 5915-70 | Гайка | Нет на складе | |
43 | 02.0900.016 | Шайба | Нет на складе | |
44 | 12.65Г.019 ГОСТ 6402-70 | Шайба | Нет на складе | |
45 | М12х25.56.019 ГОСТ 7798-70 | Болт | Нет на складе | |
46 | М36х3х300.10,9.40Х.019 ГОСТ 7798-70 | Болт | Нет на складе | |
47 | 35.0100.010 | Палец | Нет на складе | |
48 | 1.2.Кд6Хр ГОСТ 19853-74 | Масленка | Нет на складе | |
49 | 3,2х20.001 ГОСТ 397-79 | Шплинт | Нет на складе | |
50 | 35.0100.020 | Штанга | Нет на складе | |
51 | 35.0100.013 | Муфта | Нет на складе | |
52 | 35.0100.012 | Палец | Нет на складе | |
53 | 35.0100.030 | Штанга | Нет на складе | |
54 | 5х50.001 ГОСТ 397-79 | Шплинт | Нет на складе | |
55 | 35.0100.008 | Плита | Нет на складе |
Содержащиеся в справочниках-каталогах запасные части и детали не предлагаются к продаже, а носят исключительно информационный характер