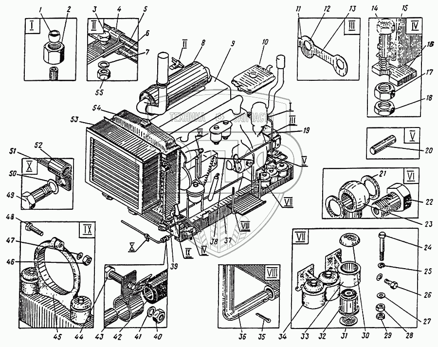
Каталог запасных частей к технике: Атек ЭОВ-4421. Установка двигателя 09.1200.000

1
2
3
4
5
6
7
8
9
10
11
12
13
14
15
16
17
18
19
20
21
22
23
24
25
26
27
28
29
30
31
32
33
34
35
36
37
38
39
40
41
42
43
44
45
46
47
48
49
50
51
52
53
54
55
Позиция на иллюстрации | Заводской номер детали | Название детали | Цена | |
---|---|---|---|---|
1 | 02.2300.004 | Втулка | Нет на складе | |
2 | 02.2300.003 | Гайка | Нет на складе | |
3 | М8х16.46.029 ГОСТ 7798-70 | Болт | Нет на складе | |
4 | 10.0900.041 | Скоба | Нет на складе | |
5 | 09.1207.002 | Трубка | Нет на складе | |
6 | 09.1207.001 | Трубка | Нет на складе | |
7 | 8.65Г.029 ГОСТ 6402-70 | Шайба | Нет на складе | |
8 | 10.1203.000 | Установка глушителя | Нет на складе | |
9 | ТУ 23.1112-77 | Двигатель СМД-14НГ | Нет на складе | |
10 | 02.1205.000 | Установка бензобака | Нет на складе | |
11 | 09.1200.011 | Шайба стопорная | Нет на складе | |
12 | 09.1200.012 | Шайба стопорная | Нет на складе | |
13 | 09.1200.013 | Шайба стопорная | Нет на складе | |
14 | М20х1,5х70.66.45.029 ГОСТ 7798-70 | Болт | Нет на складе | |
15 | 20.02.029 ГОСТ 10906-78 | Шайба | Нет на складе | |
16 | 02.1200.012 | Прокладка | Нет на складе | |
17 | М20х1,5.8.45.029 ГОСТ 5915-70 | Гайка | Нет на складе | |
18 | М20х1,5.8.45.029 ГОСТ 5916-70 | Гайка | Нет на складе | |
19 | 09.1213.000 | Установка насоса | Нет на складе | |
20 | 12Гх50 ГОСТ 3128-70 | Штифт | Нет на складе | |
21 | 50.4574.035 | Прокладка | Нет на складе | |
22 | 50.4574.501 | Винт | Нет на складе | |
23 | 02.1208.000 | Труба | Нет на складе | |
24 | М14х125.66.45.029 ГОСТ 7798-70 | Болт | Нет на складе | |
25 | 14.65Г.029 ГОСТ 6402-70 | Шайба | Нет на складе | |
26 | M14х35.46.029 ГОСТ 7796-70 | Болт | Нет на складе | |
27 | 14.02.019 ГОСТ 11371-78 | Шайба | Нет на складе | |
28 | М14.8.45.029 ГОСТ 5915-70 | Гайка | Нет на складе | |
29 | М14.8.45.029 ГОСТ 5916-70 | Гайка | Нет на складе | |
30 | 02.1200.004 | Чашка амортизатора | Нет на складе | |
31 | 02.1200.003 | Шайба упорная | Нет на складе | |
32 | 204-1001035-12 | Амортизатор | Нет на складе | |
33 | 09.1200.007 | Опора дополнительная | Нет на складе | |
34 | 02.1200.002 | Опора двигателя задняя | Нет на складе | |
35 | 1,6х12.019 ГОСТ 397-79 | Шплинт | Нет на складе | |
36 | 09.1200.008 | Стойка | Нет на складе | |
37 | 09.1201.000 | Рама | Нет на складе | |
38 | 02.1204.000 | Управление подачей топлива | Нет на складе | |
39 | 09.1206.000 | Установка шторки | Нет на складе | |
40 | М6.5.20.029 ГОСТ 5915-70 | Гайка | Нет на складе | |
41 | 6.01.019 ГОСТ 10450-78 | Шайба | Нет на складе | |
42 | 10х19-10 L=150 ГОСТ 10362-76 | Рукав | Нет на складе | |
43 | 02.1200.006 | Хомут | Нет на складе | |
44 | М6х35.46.029 ГОСТ 1491-80 | Винт | Нет на складе | |
45 | 02.1200.001 | Опора двигателя передняя | Нет на складе | |
46 | М14.8.45.029 ГОСТ 2524-70 | Гайка | Нет на складе | |
47 | 14.65Г.029 ГОСТ 6402-70 | Шайба | Нет на складе | |
48 | М14х65.46.029 ГОСТ 7796-70 | Болт | Нет на складе | |
49 | М8х20.56.019 ГОСТ 7798-70 | Болт | Нет на складе | |
50 | 8.65Г.029 ГОСТ 6402-70 | Шайба | Нет на складе | |
51 | 02.1211.000 | Труба | Нет на складе | |
52 | 01.4200.006 | Хомут | Нет на складе | |
53 | 09.1217.000 | Установка маслоохладителя | Нет на складе | |
54 | 02.1202.000 | Установка радиатора | Нет на складе | |
55 | М8.5.20.029 ГОСТ 5915-70 | Гайка | Нет на складе |
Содержащиеся в справочниках-каталогах запасные части и детали не предлагаются к продаже, а носят исключительно информационный характер