Каталог запасных частей к технике: Булат ЭО-2621B-3. Стрела

1
1
2
2
3
4
5
6
6
7
7
8
8
9
10
11
12
13
14
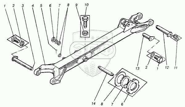
Позиция на иллюстрации | Заводской номер детали | Название детали | Цена | |
---|---|---|---|---|
1 | 7798.16.30 | Болт | Нет на складе | |
2 | 6402.16 | Шайба | Нет на складе | |
3 | 03.5600.300 | Палец | Нет на складе | |
4 | 13.0602.000 | Металлоконструкция стрелы | Нет на складе | |
5 | 397.6,3.63 | Шплинт | Нет на складе | |
6 | 11871.36.1.5 | Гайка | Нет на складе | |
7 | 11872.36 | Шайба | Нет на складе | |
8 | 03.5600.002 | Шайба | Нет на складе | |
9 | 5915.12 | Гайка | Нет на складе | |
10 | 03.5600.003 | Болт специальный | Нет на складе | |
11 | 19853.1,2 | Масленка | Нет на складе | |
12 | 03.5600.100 | Палец | Нет на складе | |
13 | 03.5600.200 | Палец | Нет на складе | |
14 | 03.5600.001 | Палец | Нет на складе |
Содержащиеся в справочниках-каталогах запасные части и детали не предлагаются к продаже, а носят исключительно информационный характер