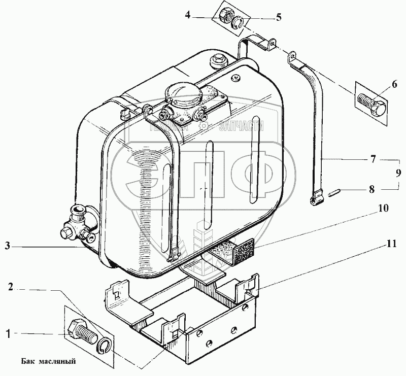
Каталог запасных частей к технике: Булат ЭО-2621В-3. Бак масляный

1
2
3
3
4
5
6
7
8
9
10
11
Позиция на иллюстрации | Заводской номер детали | Название детали | Цена | |
---|---|---|---|---|
1 | 7798.16.30 | Болт | Нет на складе | |
2 | 6402.16 | Шайба | Нет на складе | |
3 | 26.1800.000 | Бак масляный | Нет на складе | |
3 | 26.1802.000 | Бак с фильтром | Нет на складе | |
4 | 5916.10 | Гайка | Нет на складе | |
5 | 6402.10 | Шайба | Нет на складе | |
6 | 7798.10.35 | Болт | Нет на складе | |
7 | 50.4671.501 | Полоса | Нет на складе | |
8 | 01.0700.037 | Проволока | Нет на складе | |
9 | 50.4671.500 | Стяжка | Нет на складе | |
10 | 50.4671.015 | Прокладка | Нет на складе | |
11 | 26.1801.000 | Кронштейн | Нет на складе |
Содержащиеся в справочниках-каталогах запасные части и детали не предлагаются к продаже, а носят исключительно информационный характер